GT200-A
GT系列四冲程(OHV)插秧机汽油发动机 ● 全面专业打造 多项技术升级 更强劲 更稳定 ● 适应插秧机作业中各种不同的作业工况,有效提升发动机乙醇汽油耐受性 ● 在严苛环境下也能高效运作,低油耗,低噪音,插秧效率更高,使用操作更得心应手。
产品详情
|
Engine technisal data sheer 发动机技术参数 |
|
|
Modie 型号 |
GT200-A |
|
The Environment Information Disclosure 国家环保信息公开编号 |
CN FD G2 00 017Y000007 000001 |
|
Type 类型 |
Single cylinder,4-stroke,horizontal shaft,OHV,inclined gasoline engine 单缸.四冲程.水平轴.顶置气门.斜置式汽油机 |
|
Displacement(Bore*Stroke) 排量(缸径*行程) |
185cc(68*50mm) |
|
Compression ratio 压缩比 |
8.8:1 |
|
Max.output power/speed 最大输出功率/转速 |
4.5kW/3600 rpm |
|
Rated output power/speed 额定输出功率/转速 |
4.2kW/3600 rpm |
|
Max.torque/speed 最大扭矩/转速 |
12.6Nm/2400 rpm |
|
Aspiration system 吸气方式 |
Natural 自然吸气 |
|
Cooling system 冷却系统 |
Forced-air cooling by flywheel fan 飞轮风扇强制风冷 |
|
Start system 启动方式 |
Hand recoil start 手拉反冲启动 |
|
Lubrication system and Crankcase ventilation 润滑系统与曲轴箱通风 |
Atomized splash lubrication,With One-way valve blade forced ventilation 油雾飞溅润滑,并单向阀片式强制通风 |
|
Lgnition system 点火系统 |
Transistor Controlled Ignition-T.C.I系统 |
|
Spark plug 火花塞 |
F7TC.(or F7TRC.orNGK BPR4ES) |
|
Rotation direction 旋转方向 |
Clockwise,view from flywheel 顺时针(从飞轮端看) |
|
Governor system 调速方式 |
Mechanical governor 机械调速 |
|
Fuel type 燃油规格 |
93-(RON),Vehicle unladed gasoline 93#以上无铅汽油 |
|
Lubrication oil type 润滑油规格 |
4-Stroke gasoline engine oil,APL-SFclass or higher Such as SAE 10W-30 四冲程汽油机机油,APL-SF或更高等级,如:SAE10W-30. |
|
Fuel consumption rate 比油耗 |
364g/kW/h |
|
Lubrication oil consumption 润滑油消耗 |
Equal to about 1%-1.2% of the fuel consumption 约为燃油消耗的1%-1.2% |
|
Carburetor modle 化油器型号 |
P20-5 |
|
Muffler 消声器类型 |
Anti-resonator muffer 抗振谐振腔消声器(适配) |
|
Fuel tank capacity 燃油箱容量 |
- |
|
Lubrication oil capacity 润滑油量 |
0.6L |
|
Engine noise level发动机噪声 |
Sound power level 声功率声级:LwA < 71dB(A) |
|
Net.Weight 净重 |
16Kg |
|
Unpackaged dimension(L*W*H)净尺寸 |
315*352*233mm |
|
Packing dimension(L*W*H)装箱尺寸 |
396*374*285mm |
|
Engine quality standards: 发动机质量标准: Techno-standard of the engine is according toJB/T5135.1-2013; 发动机技术标准执行 JB/T5135.1-2013; Fire protection-standard of the engine is according to GB4556-2001; 发动机防火标准执行 GB4556-2001; Safety、noise and gas emission-standard of the engine is conforming 发动机安全、噪声和废气排放符合GB20651.2-2014、 To GB20651.2-2014、GB15739 and GB26133-2010. GB15739和GB26133-2010. |
|
|
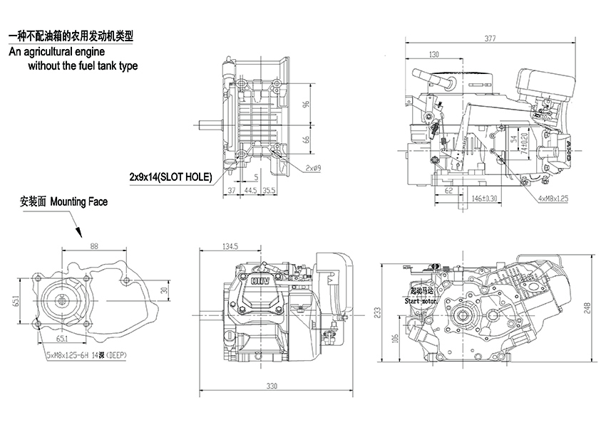
Engine basic dimensions 发动机基本尺寸 |
|
|
|
|
|
|
|
Engine P.T.O. shaft dimensions 发动机动力输出轴尺寸 |
|
|








